Преобразователи частоты для однофазных асинхронных двигателей

Преобразователи частоты для однофазных асинхронных двигателей

ELHART EMD-MINI А — это частотные преобразователи для однофазных двигателей, которые применяются в HVAC-системах при автоматизации зданий. С помощью преобразователей частоты осуществляется регулировка скорости приточных и вытяжных вентиляторах. А также EMD-MINI A применяются для управления насосами, мешалками, миксерами, шлифовальными станками, транспортерами и другим технологическим оборудованием.

EMD-MINI A предназначен для управления скоростью вращения только для однофазных двигателей мощностью от 0,4 до 2,2 кВт с напряжением питания 230 В.

Принцип работы частотных преобразователей EMD-MINI A основан на преобразовании сетевого однофазного переменного напряжения (тока) с частотой 50 Гц в однофазное напряжение (ток) с заданной частотой (до 590 Гц) с сохранением постоянства соотношения U/f. Изменение частоты и амплитуды действующего значения напряжения, подаваемого на электродвигатель, приводит к изменению скорости вращения магнитного поля, что приводит к изменению механической скорости вращения вала электродвигателя.

Модификации Где купить?

Преобразователь частоты ELHART EMD-MINI-004 A
EMD-MINI – 004 A
  • Мощность двигателя: 0,4 кВт
  • Напряжение питания: 1 фаза / ~220 В
Преобразователь частоты ELHART EMD-MINI – 007 A
EMD-MINI – 007 A
  • Мощность двигателя: 0,7 кВт
  • Напряжение питания: 1 фаза / ~220 В
Преобразователь частоты ELHART EMD-MINI – 015 A
EMD-MINI – 015 A
  • Мощность двигателя: 1,5 кВт
  • Напряжение питания: 1 фаза / ~220 В
Преобразователь частоты ELHART EMD-MINI – 022 A
EMD-MINI – 022 A
  • Мощность двигателя: 2,2 кВт
  • Напряжение питания: 1 фаза / ~220 В
  • Особенности преобразователей частоты серии EMD‑MINI A

    Удобство и простота эксплуатации

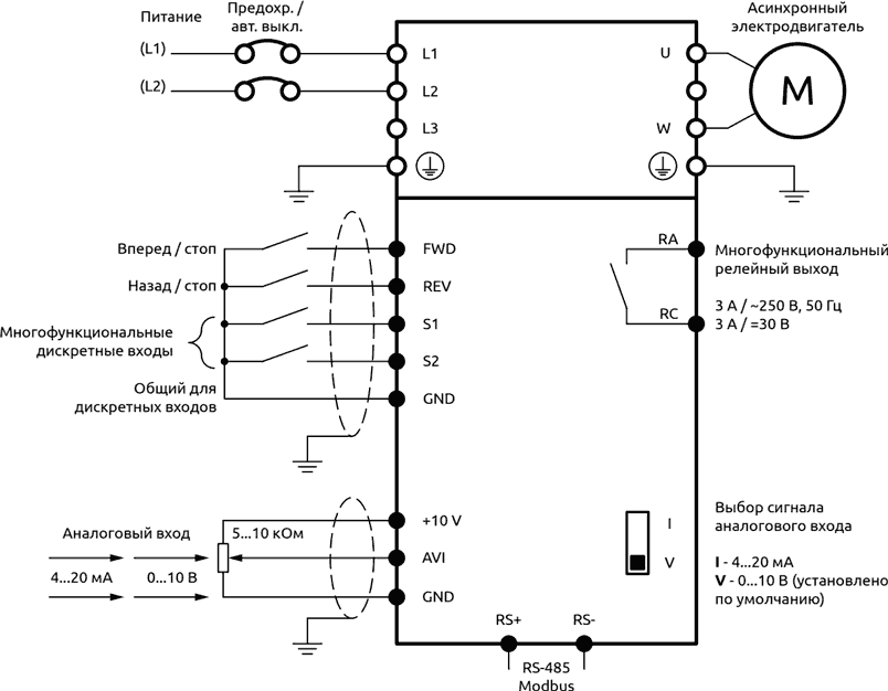
    • Наличие встроенного интерфейса RS-485 дает возможность осуществлять удаленное управление частотно-регулируемым электроприводом.
    • Возможность подключения выносного пульта управления EMD‑MINI – RCP (не входит в комплект поставки) позволяет реализовать дистанционное управление на расстоянии до 2 метров.
    • Компактный размер позволяет установить частотный преобразователь на DIN-рейку. Крепление к DIN-рейке предусмотрено конструкцией.
    • Простое и быстрое программирование параметров настройки.
    • Встроенный блок питания 10 В постоянного тока для подключения внешнего потенциометра.

    Высокая производительность

    • Вольт-частотное (скалярное) управление асинхронным электродвигателем - сохранение постоянства соотношения V/f для обеспечения постоянства величины магнитного поля при различных скоростях.
    • Перегрузочная способность 150% номинального тока в течение 60 секунд.
    • Выходная частота до 590 Гц позволяет реализовать управление высокочастотными электродвигателями.

    Функциональность

    • Встроенный ПИД-регулятор позволяет непрерывно контролировать параметры технологического процесса (давление, расход, температура и т. д.).
    • Спящий режим при работе частотного преобразователя в режиме ПИД-регулирования позволяет экономить потребляемую электроэнергию и сократить износ оборудования.
    • Программный режим для задания скорости и направления вращения электродвигателя по заранее заданной программе (до 15 шагов).
    • Корректировка вольт-частотной характеристики V/f по трем точкам для адаптации управления под характер нагрузки электродвигателя.

    Особенности эксплуатации

    • При запуске на низких частотах возможно «опрокидывание двигателя». Для предотвращения аварийных ситуаций рекомендуется задавать выходную частоту более 30 Гц.
    • Смена направления вращения не может быть выполнена средствами преобразователя частоты. Необходимо использовать внешний механический редуктор.
  • Технические характеристики частотных преобразователей серии EMD‑MINI A
    Артикул Мощность, кВт Напряжение питания Выходное напряжение Номинальный ток, А
    входной выходной
    EMD‑MINI – 004 A 0,4 1 ф / 230 В
    (170…240 В)
    50/60 Гц
    1 ф / 230 В
    (0…230 В)
    0,1…590,0 Гц
    7,2 5
    EMD‑MINI – 007 A 0,75 10 7
    EMD‑MINI – 015 A 1,5 16 11
    EMD‑MINI – 022 A 2,2 23 16,5
    Параметр Значение
    Общие сведения
    Метод управления электродвигателем V/f – вольт-частотное (скалярное) управление
    Дискретность задания частоты Цифровое задание: 0,1 Гц
    Аналоговое задание: 0,1 % от максимальной частоты
    Время разгона/торможения 0…999,9 сек
    ПИД-регулятор Встроенный ПИД-регулятор
    Программный режим Задание до 15 предустановленных скоростей, включающихся по программе
    Управление моментом Ручное увеличение момента в пределах 0...30 % от номинального момента
    Характеристики управляющих сигналов
    Дискретные входы 4 многофункциональных дискретных входа (NPN)
    Дискретный выход 1 многофункциональный дискретный выход:
    релейный выход (НО/НЗ), 3 А / ~250 В, 3 А / = 30 В
    Аналоговый вход 1 аналоговый вход: 0...10 В / 0...20 мА
    Интерфейс связи RS-485, протокол ModBus ASCII / RTU (максимальная скорость передачи данных 19200 бит/сек)
    Источник задания выходной частоты Пульт управления, аналоговый вход, дискретный вход, интерфейс связи RS-485, программный режим управления скоростью
    Перегрузочная способность и защиты
    Перегрузка 150 % от номинального тока в течение 60 сек
    Защиты Повышенное/пониженное напряжение, перегрузка по току и прочие
    Условия эксплуатации
    Класс защиты IP20
    Температура окружающей среды -10…+40 °С (без обмерзания)
    Относительная влажность Не более 95% (без образования конденсата)
    Метод охлаждения Встроенный вентилятор охлаждения
    Метод монтажа Установка на DIN-рейку 35 мм, монтаж на панель
  • Схема подключения частотных преобразователей серии EMD‑MINI A
    Схема подключения преобразователей частоты ELHART EMD-MINI A
    Схема подключения преобразователей частоты серии EMD‑MINI A
  • Габаритные размеры частотных преобразователей серии EMD‑MINI A
    Габаритные размеры преобразователей частоты ELHART EMD-MINI A
    Габаритные размеры преобразователей частоты серии EMD‑MINI A
    Типоразмер Артикул Габаритные размеры, мм Крепление на
    DIN-рейку 35 мм
    Масса,
    кг
    W H D A B E Ød
    1 EMD‑MINI — 004…007 A 68 132 102 120 57 62 4,5 есть 0,71
    EMD‑MINI — 015 A 72 142 112,2 130 61 62 4,5 0,93
    2 EMD‑MINI — 022 A 85 180 116 167 72 100 5,5 1,47