Датчик давления и уровня LTE1000M

Датчик давления LTE1000M — это погружной датчик с торцевой мембраной, предназначенный для измерения избыточного давления при полном погружении корпуса в жидкую или газообразную среду. Может быть использован для измерения уровня жидкостей гидростатическим методом.

Модификации Где купить?

LTE1000M-0P1-003-C
LTE1000M-0P1-003-C
  • Диапазон давления: 0...0,1 бар
  • Длина кабеля: 3 м
  • Точность: 0,5%
LTE1000M-0P1-010-C
LTE1000M-0P1-010-C
  • Диапазон давления: 0...0,1 бар
  • Длина кабеля: 10 м
  • Точность: 0,5%
LTE1000M-0P25-004-B2
LTE1000M-0P25-004-B2
  • Диапазон давления: 0...0,25 бар
  • Длина кабеля: 4 м
  • Точность: 0,25%
LTE1000M-0P25-015-B2
LTE1000M-0P25-015-B2
  • Диапазон давления: 0...0,25 бар
  • Длина кабеля: 15 м
  • Точность: 0,25%
LTE1000M-0P4-008-B2
LTE1000M-0P4-008-B2
  • Диапазон давления: 0...0,4 бар
  • Длина кабеля: 8 м
  • Точность: 0,25%
LTE1000M-0P6-010-B2
LTE1000M-0P6-010-B2
  • Диапазон давления: 0...0,6 бар
  • Длина кабеля: 10 м
  • Точность: 0,25%
LTE1000M-1P0-015-B2
LTE1000M-1P0-015-B2
  • Диапазон давления: 0...1 бар
  • Длина кабеля: 15 м
  • Точность: 0,25%
LTE1000M-1P6-020-B2
LTE1000M-1P6-020-B2
  • Диапазон давления: 0...1,6 бар
  • Длина кабеля: 20 м
  • Точность: 0,25%
  • Особенности датчика давления LTE1000M
    • Измерение уровня жидкости при погружении или измерение давления при установке на трубопровод погруженный в жидкость.
    • Конструкция с торцевой мембраной, защищенной от механических воздействий металлической крышкой.
    • Стандартный унифицированный выходной сигнал 4...20 мА, питание от токовой петли.
    • Кабель из прочного твердого полиэтилена, устойчивого к механическим воздействиям.
    • Компактная конструкция корпуса с внешним диаметром 26,5 мм, которую можно разместить внутри трубы при измерении уровня в скважине.
    • Чувствительная мембрана выполнена из нержавеющей стали марки AISI 316L, корпус и крышка корпуса из AISI304.
    • Погрешность измерения не более ±0,2 / 0,25 / 0,35 / 0,5% в зависимости от кода заказа.
  • Технические характеристики датчиков давления ELHART LTE1000M
    Технические характеристики датчика LTE1000M
    Параметр Значение
    Тип измеряемого давления избыточное
    Верхний предел измерения давления ВПИ (зависит от кода заказа) 0,1...10 бар
    Допустимая перегрузка (до 30 мин.) не более 200% от ВПИ
    Предел основной приведенной погрешности (зависит от кода заказа) ±0,2%, ±0,25%, ±0,35%, ±0,5%
    Дополнительная температурная погрешность на каждые 10 °C от 23 °C ±0,2%
    Допустимое напряжение питания =10...30 В
    Потребляемая мощность не более 0,7 Вт
    Выходной аналоговый сигнал 4...20 мА
    Максимальная нагрузка токового выхода не более 800 Ом при 24 В или не более 200 Ом при 12 В
    Уровень выходного сигнала при выходе за нижний и верхний предел не менее 2,9 мА и не более 24 мА
    Время установления сигнала не более 0,2 сек
    Защиты аналогового выхода от обратной полярности, от перенапряжения
    Степень защиты, обеспечиваемая оболочкой для погружаемой части датчика IP68
    Степень защиты, обеспечиваемая оболочкой для части датчика располагаемой над поверхностью жидкости (оконечная часть кабеля с атмосферной трубкой) IP00
    Рабочая температура -20...+70 °С
    Количество и сечение проводников для электрического подключения 3 проводника, 0,25 мм2
    Тип наружной резьбы для крепления защитной крышки М24×1
    Масса изделия без учета кабеля не более 285 г
    Масса кабеля длиной 1 м не более 62 г
    Технические характеристики терминального бокса LTE-BOX-1P
    Параметр Значение
    Подключение датчика и вторичного прибора 3-х контактные клеммы с винтовым зажимом для проводников сечением не более 2,5 мм²
    Размер гермовводов PG9 (для кабеля с наружным диаметром от 4 до 8 мм)
    Степень защиты, обеспечиваемая оболочкой IP65
    Рабочая температура -40...+90 °С
    Относительная влажность окружающего воздуха без образования конденсата не более 95%
    Атмосферное давление окружающего воздуха 84...106,7 кПа
    Потребляемая мощность не более 0,7 Вт
    Масса изделия не более 170 г
    Технические характеристики переходника манометрического TA.01
    Параметр Значение
    Материал переходника нержавеющая сталь AISI304
    Материал уплотнения витон (FKM)
    Тип внутренней резьбы для присоединения >датчика к переходнику М24х1
    Тип наружной резьбы для присоединения переходника к технологическому процессу М20х1,5 или G1/2″ (зависит от кода заказа)
    Масса переходника сборе с уплотнениями не более 80 г
    Давление рабочей среды не более 40 бар
    Технические характеристики держателя кабеля ЗАН 16-35/1000
    Параметр Значение
    Количество удерживаемых кабелей 1
    Сечение удерживаемого кабеля от 16 до 35 мм²
    Зажимной диаметр кабеля от 7,2 до 9,7 мм
    Макс. растягивающая нагрузка 9,8 кН
    Материал сталь / пластик
    Температура эксплуатации -60...+50 °C
    Масса 0,251 кг
  • Схема подключения датчика давления LTE1000M
    Схема подключения LTE1000M с использованием терминального бокса LTE-BOX-1P
    Схема подключения LTE1000M с использованием терминального бокса LTE-BOX-1P
  • Габаритные размеры датчика давления LTE1000M
    Габаритные размеры погружного датчика давления и уровня LTE1000M
    Габаритные размеры погружного датчика давления и уровня LTE1000M, мм

     

    Габаритные размеры терминального бокса LTE-BOX-1Р
    Габаритные размеры терминального бокса LTE-BOX-1Р, мм

     

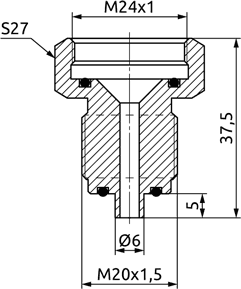
    Габаритные размеры переходников TA.01 с наружной резьбой М20х1,5
    Габаритные размеры переходников TA.01 с наружной резьбой М20х1,5, мм
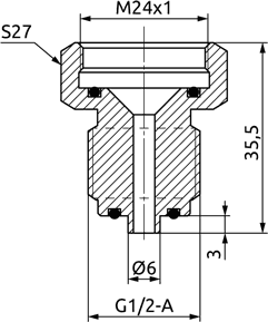
    Габаритные размеры переходников TA.01 с наружной резьбой G1/2''
    Габаритные размеры переходников TA.01 с наружной резьбой G1/2″, мм

     

    Габаритные размеры держателя кабеля ЗАН 16-35/1000
    Габаритные размеры держателя кабеля ЗАН 16-35/1000, мм